ZQ-LZ金屬管轉子流量計
產品特點:
金屬管浮子流表采用可變面積式測量原理生產研究,適用于測量液體,氣體。全金屬結構,有指示型、電遠傳型、耐腐型、高壓型、夾套型、防爆型。具有 0-10mA,4-20mA的標準模擬量信號輸出和現場指示。累積,數字通訊,現場修改測量參數,不同的供電方式功能,帶有磁性過濾器和特殊規格品種。
產品應用:廣泛應用于,石油、化工、發電、制藥、食品、水處理等。復雜,惡劣環境條件,及各種介質條件的流量測量過程中。
.jpg)
ZQ-LZ金屬管轉子流量計的傳感器部分可采用不銹鋼(1Crl8Ni9Ti)、鉬二鈦(316、316L),以及內襯聚四氟乙烯等材料,根據用戶要求也可用特殊材料制造,以適應腐蝕性流體(如氯氣、鹽水、鹽酸、硝酸和硫酸等)的流量測量。
YJF-YK-LZ金屬管轉子流量計是采用可變面積式測量原理,用于連續測量封閉管道中的液體和氣體的體積流量。具有結構堅固可靠、適用溫度范圍廣、精度高、價格便宜,能適用多種場合的流量測量等特點。本系列為現場指示型,有下進上出、左進右出和下進側出三種安裝形式。可廣泛適用于國防、化工、石油、冶金、電力、環保、醫藥和輕工業等部門的液體、氣體流量測量。
電遠傳型金屬管浮子流量計輸出為4~20mA標準電流信號,可與DDZ-II或DDZ-III電動單元組合儀表配套使用,也可直接輸出計算機系統,參與系統的監控。本儀表可根據用戶需求,加裝上下限報警。
一、金屬管轉子流量計測量原理:
|
ZQ-LZ金屬管轉子流量計的浮子垂直安裝在錐形測量管內,由于流體的作用,它可以在錐形管中上下自由移動,浮子的外緣直徑與錐形管形成的環形面積隨著浮子位置的變化而變化,當流體的流量穩定在某一數值時,浮子也在某一個位置處于一種動平衡狀態,它與錐形管之間的環形面積也保持恒定,此時,浮子受到三個力的作用:浮子向下的重量W,向上的浮力F和流體的動力P,這三個力達到平衡。根據流體動力學的柏努力方程,力平衡方程和流體的連續性定理,可以計算出流體通過環形面積的平均瞬時流量。 |
|
二、主要技術參數:
|
1、基型金屬管轉子流量計: (1)測量范圍:水(20℃) 2.5~150000L/h、 空氣(20℃,0.1013MPa)0.07~4000Nm3/h; (2)量程比:10:1; (3)精度:1.5/2.5; (4)工作壓力:≤6.4MPa; (5)工作溫度:-40~350℃(氟塑料襯里-10~80℃); (6)環境溫度:-20~80℃; (7)介質粘度:DN15≤5mPa.S、DN25~DN150≤250mPa.S; (8)管體材質:1Cr18Ni9Ti,316L,內襯PTEF等; (9)過程連接:法蘭,或按用戶提供; (10)蒸汽夾套頭:法蘭:DN15/PN1.6,或按用戶提供。 |
2、帶遠傳金屬管轉子流量計: (1)基本誤差:1.5%F.S; (2)輸出信號:4 ~ 20mA; (3)負載阻抗:350Ω; (4)電源電壓:24V DC; (5)環境溫度:-30 ~ 80℃; (6)出線口:M20×1.5; (7)防爆標志:ExibIICT4;
|
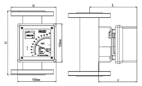
三、金屬管轉子流量計計外形尺寸圖:
|
|
|
|
|
|
|
下進上出 |
防腐型 |
上進下出 |
下進側出 |
夾套型 |
水平安裝 |
|
通徑 (DN) |
L (mm) |
H (mm) |
B (mm) |
|
|
15 |
150 |
250 |
220 |
|
|
25 |
150 |
250 |
230 |
|
|
50 |
175 |
250 |
270 |
|
|
80 |
210 |
250 |
300 |
|
|
100 |
230 |
250 |
320 |
|
|
150 |
265 |
400 |
360 |
|
|
200 |
300 |
500 |
390 |
四、金屬管浮子流量計流量范圍表:
|
通徑(mm) |
流 量 范 圍 |
壓力損失kPa |
|||
|
水L/h |
空氣M3/h |
水 |
空氣 |
||
|
常規型 |
防腐型 |
常規型、防腐型 |
|||
|
DN15 |
2.5~25 |
--- |
0.07~0.7 |
6.5 |
7.1 |
|
4.0~40 |
2.5~25 |
0.11~1.1 |
6.5 |
7.2 |
|
|
6.3~63 |
4.0~40 |
0.18~1.8 |
6.6 |
7.3 |
|
|
10~100 |
6.3~63 |
0.28~2.8 |
6.6 |
7.5 |
|
|
16~160 |
10~100 |
0.40~4.0 |
6.8 |
8.0 |
|
|
25~250 |
16~160 |
0.7~7.0 |
7.2 |
10.8 |
|
|
40~400 |
25~250 |
1.0~10 |
8.6 |
10.0 |
|
|
63~630 |
40~400 |
1.6~16.0 |
11.1 |
14.0 |
|
|
DN25 |
100~1000 |
63~630 |
3~30 |
7.0 |
7.7 |
|
160~1600 |
100~1000 |
4.5~45 |
8.0 |
8.8 |
|
|
250~2500 |
160~1600 |
7~70 |
10.8 |
12.0 |
|
|
400~4000 |
250~2500 |
11~110 |
15.8 |
19.0 |
|
|
DN40 |
500~5000 |
--- |
12~120 |
10.8 |
9.8 |
|
600~6000 |
---- |
16~160 |
12.6 |
16.5 |
|
|
DN50 |
630~6300 |
400~4000 |
18~180 |
8.1 |
8.6 |
|
1000~10000 |
630~6300 |
25~250 |
11.0 |
10.4 |
|
|
1600~16000 |
1000~10000 |
40~400 |
17.0 |
15.5 |
|
|
DN80 |
2500~25000 |
1600~16000 |
60~600 |
8.1 |
12.9 |
|
4000~40000 |
2500~25000 |
80~800 |
9.5 |
18.5 |
|
|
DN100 |
6300~63000 |
4000~40000 |
100~1000 |
15.0 |
19.2 |
|
DN150 |
20000~100000 |
--- |
600~3000 |
19.2 |
20.3 |
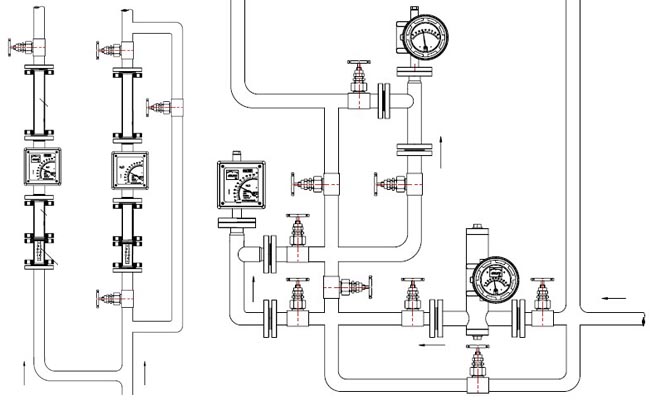
五、金屬管浮子流量計安裝示意圖:
六、金屬管轉子流量計選型表:
|
ZQ-LZ |
金屬管轉子流量計 |
||||||||||||||
|
口徑 (mm) |
15 |
DN15 |
80 |
DN80 |
|||||||||||
|
25 |
DN20 |
100 |
DN100 |
||||||||||||
|
40 |
DN40 |
150 |
DN150 |
||||||||||||
|
50 |
DN50 |
200 |
DN200 |
||||||||||||
|
結構形式 |
/ |
下進上出 |
AA |
側進側出 |
|||||||||||
|
H1 |
左進右出 |
LA |
低進側出 |
||||||||||||
|
H2 |
右進左出 |
S |
螺紋安裝 |
||||||||||||
|
M |
衛生型快裝式 |
||||||||||||||
|
本體材質 |
R1 |
321不銹鋼 |
RH |
哈氏合金C |
|||||||||||
|
R4 |
304不銹鋼 |
RT |
鈦 |
||||||||||||
|
R6 |
316不銹鋼 |
RF |
不銹鋼襯四氟 |
||||||||||||
|
指示器類型 |
7 |
指針顯示瞬時流量 |
|||||||||||||
|
9 |
LCD顯示瞬時與累積 |
||||||||||||||
|
供電及輸出信號 |
K |
4~20mA DC24V |
|||||||||||||
|
Z |
4~20mA DC24V+HART協議 |
||||||||||||||
|
D |
鋰電池供電帶液晶表頭 |
||||||||||||||
|
報警輸出 |
/ |
無報警輸出 |
|||||||||||||
|
1 |
帶一個報警輸出 |
||||||||||||||
|
2 |
帶兩個報警輸出 |
||||||||||||||
|
測量介質 |
L |
液體 |
|||||||||||||
|
G |
氣體 |
||||||||||||||
|
附加選項 |
T |
測量管帶保溫夾套 |
|||||||||||||
|
B |
防爆(ExII CT6) |
||||||||||||||








