YPF膜片壓力表
產品特點:
耐震膜片壓力表內部充灌阻尼液和配套緩沖裝置,具有良好的耐震性能
產品應用:膜片壓力表適用于測量無爆炸危險、不結晶、不凝固、有較高粘度,但對銅和銅合金無腐蝕作用的液體、氣體或蒸汽的壓力。
在線咨詢訂購熱線:0517-86899533
.jpg)
一.產品概述
|
YPF系列膜片壓力表適用于測量具有一定腐蝕性、非凝固或非結晶的各種流體介質的壓力或負壓。膜片壓力表耐腐蝕性能取決于膜片材料。 |
|||||||||||||||||||||||||||||
| 二.結構原理 | |||||||||||||||||||||||||||||
|
膜片壓力表由測量系統(包括法蘭接頭、波紋膜片)、傳動指示機構(包括連桿、齒輪傳動機構、指針和度盤)和外殼(包括表殼和罩圈)等組成。膜片壓力表外殼為防濺結構,具有較好的密性,故能保護其內部機構免受污穢浸入。 膜片壓力表的作用原理是基于彈性元件(測量系統上膜片)變形。膜片壓力表在被測介質的壓力作用下,迫使膜片產生相應的彈性變形---位移,借助連桿組經傳動機構的傳動并予放大,由固定于齒輪上的指針逐將被測值在度盤上指示出來。 |
|||||||||||||||||||||||||||||
| 三.主要技術指示 | |||||||||||||||||||||||||||||
|
精確度等級:2.5 四.產品型號 |
|||||||||||||||||||||||||||||
|
|||||||||||||||||||||||||||||
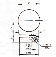
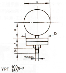
| 五.標度范圍、外形尺寸及重量 | |||||||||||||||||||||||||||||
|
|||||||||||||||||||||||||||||
| *0~40、-40~0、±20KPa規格承壓部尺寸D1為φ85 | |||||||||||||||||||||||||||||
| 六.導壓系統及外殼等主要零件的材質 | |||||||||||||||||||||||||||||
|
|||||||||||||||||||||||||||||
|
|||||||||||||||||||||||||||||
|
|||||||||||||||||||||||||||||
|
|||||||||||||||||||||||||||||
點擊下圖進入首頁






