CML2020D配電隔離器
產品特點:
配電式隔離器(通常稱配電器)的作用是為原工業現場提供一種兩線制傳輸方式,既要為變送器等一次儀表提供24V配電電源,同時又要對輸入的電流信號進行采集、放大、運算、和進行抗干擾處理后,再輸出隔離的電流和電壓信號,供后面的二次儀表或其它儀表使用。
產品應用:將變送器4~20mA信號隔離傳送。可選擇4~20mA或1~5V信號輸出,或其它所需的直流信號,模塊化表芯設計,無需零點和滿度調節。帶有工作電源指示燈。
在線咨詢訂購熱線:0517-86899533
CML2020D 電流信號輸入配電隔離器(一入一出)
CML2020D 配電隔離器是向現場的變送器提供隔離的電源電壓,并將變送器產生的 4~20mA信號經本隔離器轉換成所需的直流信號至控制系統或其它智能儀表。LDG8041電流信號輸入配電隔離器需要獨立供電,供電電源-輸入回路-輸出回路之間電磁隔離。 一、CML2020D 配電隔離器特性: 1、給變送器提供驅動電壓16.5~28V; 2、將變送器4~20mA信號隔離傳送,其它所需的直流信號; 3、模塊化表芯設計,無需零點和滿度調節; 4、單通道,一路輸入一路輸出,輸入回路短路保護; 5、帶有工作電源指示燈;
6、即插即拔式接線端子,DIN導軌卡式安裝。 二、CML2020D 配電隔離器技術規格:
1、工作電源: 電源接線:獨立的接線端子13-,14+,可帶電拔插 電源電壓:20~35VDC 電流損耗:24VDC時,<50mA 電源指示:得電時LED燈亮;綠色
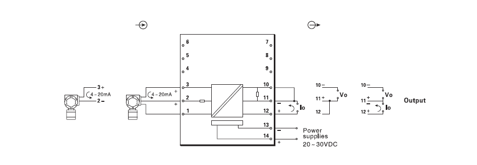
2、輸入回路: 輸入通道:端子1,2,3接線(參見端子接線圖) 變送器信號輸入:4~20mA 驅動變送器的配電電壓:16.5~28V 輸入阻抗:內置輸入電阻50Ω
3、輸出回路: 輸出通道:端子10,11,12接線(參見端子接線圖) 輸出電流:4~20mA;0~20mA;或指定電流量程 電流輸出時允許負載:0~550Ω(4~20mA,0~20mA 輸出時) 輸出電壓:1~5V;0~5V;0~10V;或指定電壓量程 電壓輸出阻抗:內置輸出電阻250Ω 紋波(Vp-p):<10mV
4、性能指標: 標準精度:±0.1%FS 溫度漂移:±0.015%/℃ 響應時間:≤1s(0 → 90%) 穩定時間:≤3s 電源電壓變動影響:±0.1%(允許電壓范圍) 負載電阻變化影響:±0.1%/250Ω 通道隔離:輸入-輸出-電源之間隔離 絕緣電阻:≥100MΩ/500VDC(AC) 隔離能力:1500VAC/1分鐘50Hz 抗電磁兼容性:符合IEC61000相關抗電磁標準
5、環境參數: 工作溫度:0~+60℃ 儲運溫度:-20~+80℃ 環境濕度:5~+95%RH(無冷凝)
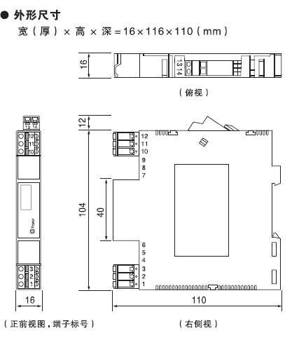
6、結構及外形尺寸: 結構:卡裝式模塊化表芯ABS材質機殼拔插式端子 外形尺寸:W16×H116×D110(mm),整機重量:約110g

7、端子接線如下圖:


點擊下圖進入首頁